Мы используем cookie для наилучшего представления нашего сайта. Подробнее об этом в Политике конфиденциальности.
Ок

Краснодар

Ваш город:
Краснодар (Краснодарский край)?
Нет
Да
Каталог
Каталог Написать в WhatsApp
Мотоэкипировка

Электрооборудование (Часть 1) КВАДРОЦИКЛА STELS UTV 700 H

Электрооборудование (Часть 1) КВАДРОЦИКЛА STELS UTV 700 H в Краснодаре: актуальный каталог, цены, фото, описание. Купите электрооборудование (часть 1) квадроцикла stels utv 700 h в кредит – оформите заявку онлайн за 1 минуту!

Оригинальные запчасти

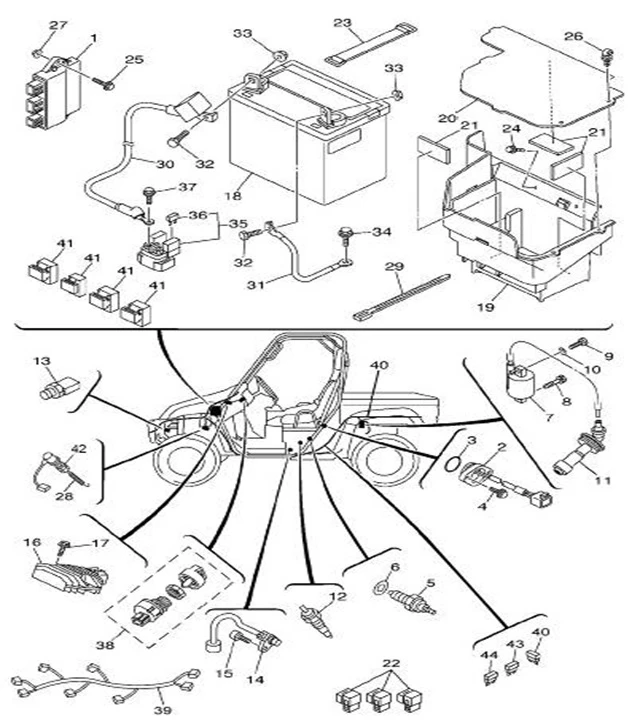
Артикул НАИМЕНОВАНИЕ Кол-во деталей в узле Примечание Наличие Цена Аналоги Фото
1 LU021784 Блок электронного зажигания (CDI) 33200-058-0000,33200-055-0000

Под заказ

1

Под заказ

уточнить

9 980

Купить
2 LU022914 Датчик включенной передачи 37120-F39-0000,37120-055-0000

Под заказ

1

Под заказ

уточнить

2 030

Купить
3 LU027135 Кольцо уплотнительное 29.6×2.4мм, резина 37121-055-0000

Под заказ

1

Под заказ

уточнить

Купить
4 LU021788 Выключатель концевой заднего хода 37125-058-0000,37125-055-0000

Под заказ

1

Под заказ

уточнить

Купить
5 LU021764 Шайба 10.5x30.0x2.5мм, сталь 9501-105-300-25, 505L134

Под заказ

1

Под заказ

уточнить

60

Купить
6 LU021789 Катушка зажигания, в сборе (см.аналог - LU044102) 33100-058-0000,33100-055-0000

Под заказ

1

Под заказ

уточнить

1 220

Купить
7 LU042214 Колпачок свечной, пластик 33101-055-0000

Под заказ

1

Под заказ

уточнить

440

Купить
8 LU026458 Датчик температуры охлаждающей жидкости 19430-055-0000

Под заказ

1

Под заказ

уточнить

1 860

Купить
9 LU026460 Датчик скорости 36510-055-0000

Под заказ

1

Под заказ

уточнить

3 180

Купить
10 LU013751 Болт с фланцем M6x1.0x 16мм , сталь 9102-06-016

В наличии

1

В наличии

130

40

Купить
11 LU026461 Регулятор напряжения 12В (см.код - LU021795) 32100-055-0000

Под заказ

1

Под заказ

уточнить

5 250

Купить
12 LU013797 Болт с фланцем M6x1.0x 20мм, сталь 9102-06-020, Q/QD922

В наличии

1

В наличии

380

30

Купить
13 LU027138 Аккумулятор 12V 32Ah

Под заказ

1

Под заказ

уточнить

22 820

Купить
14 LU026463 Отсек аккумуляторный, пластик 83727-055-0000

Под заказ

1

Под заказ

уточнить

6 130

Купить
15 LU026466 Крышка аккумуляторного отсека, пластик 83719-055-0000

Под заказ

1

Под заказ

уточнить

Купить
16 LU026470 Подушка аккумуляторной батареи, резина 32206-055-0000

Под заказ

3

Под заказ

уточнить

Купить
17 LU021842 Реле вспомогательное (G8Hn-1C4T-Rj),12В 37920-058-0000,37920-055-0000

Под заказ

3

Под заказ

уточнить

1 310

Купить
18 LU026474 Лента крепления аккумулятора, резина 32211-055-0000

Под заказ

1

Под заказ

уточнить

Купить
19 LU026504 Пружина возвратная концевого выключателя тормоза (растяж) 37602-055-0000

Под заказ

1

Под заказ

уточнить

Купить
20 LU026597 Хомут (тип 2) 200мм, пластик 91524-055-0000-2

Под заказ

2

Под заказ

уточнить

Купить
21 LU021056 Гайка с фланцем M6х1.0мм, сталь 9202-06-100

Под заказ

1

Под заказ

уточнить

50

Купить
22 LU026482 Реле стартера 12В (с плюсовым проводом) 37700-055-0000

Под заказ

1

Под заказ

уточнить

1 800

Купить
23 LU026457 Замок зажигания в сборе 37200-055-0000

Под заказ

1

Под заказ

уточнить

3 810

Купить
24 LU029024 Замок зажигания в сборе (E-mark) 37200-055-0001

Под заказ

1

Под заказ

уточнить

5 430

Купить
25 LU026495 Жгут эл. проводов 34120-055-0000

Под заказ

1

Под заказ

уточнить

12 800

Купить
26 LU030335 Жгут эл.проводов (E-mark) 34120-055-0001

Под заказ

1

Под заказ

уточнить

Купить
27 LN001527 Жгут эл.проводов (E-mark) 34120-055C-0001

Под заказ

1

Под заказ

уточнить

Купить
28 LU034785 Жгут эл. проводов (E-mark, влагозащищенные разьемы) 34120-055C-0000

Под заказ

1

Под заказ

уточнить

26 750

Купить
29 LU021841 Реле размыкающее (2431DJ)12B 37910-058-0000,37910-055-0000

Под заказ

1

Под заказ

уточнить

Купить
30 LU026486 Выключатель концевой тормоза 37600-055-0000

Под заказ

1

Под заказ

уточнить

80

Купить
31 LU018872 Предохранитель плавкий 10А A190149-02,32502-058-0000,32542-178-0000

Под заказ

4

Под заказ

уточнить

430

Купить

Нулевая цена не означает отсутствие товара. Оформите заказ, и менеджер сообщит вам цену и наличие товара, предварительно запросив их у поставщика

Главная Магазины
Корзина0
Профиль